摘要:吹膜生產時,如果不能控制好張力,就會發生薄膜表面被拉伸變型、膜卷不平整、下道工序放卷時易粘聯等質量問題。本文介紹了張力控制系統的特點、組成及原理,并詳細介紹了如何安裝及調試張力傳感器、張力控制器、變頻器等裝置。只有正確調校張力控制系統,才能真正做到對張力的控制,生產出質量穩定的薄膜。
?
吹膜機生產塑料薄膜時,如果薄膜表面張力控制不當就會影響薄膜的質量,產生薄膜表面被拉伸變型、膜卷不平整、下道工序放卷時易粘聯等質量問題。沒有張力控制的吹膜機經常需要人工調整電機轉速,使薄膜不至于過松或過緊,特別是在升降速過程中,調整更加頻繁。采用張力控制能夠較好地解決上述問題,提高膜卷生產質量。
一、張力控制結構特點
薄膜生產線上一般安裝有3個張力控制點,分別位于牽引2、收卷1、收卷2(表面雙工位收卷機)處,3個張力控制點傳感器安裝位置如圖1所示。張力控制裝置用于檢測各段薄膜張力大小,同時在運行過程中根據薄膜寬度、厚度以及工藝要求設定各段薄膜張力,通過控制牽引輥、收卷1和外收卷2處的電機速度,調整薄膜張力,使薄膜張力保持恒定不變。

圖1?張力檢測點示意圖
二、組成及張力控制原理
每一段張力控制系統由張力傳感器、張力控制器、變頻器等組成,張力傳感器安裝在導輥上,將檢測到的薄膜張力信號傳輸給張力控制器,經放大、運算調節后輸出模擬量信號(0~10V或4~20MA)直接驅動變頻器,調整電機轉速,從而達到控制張力的目的。
三、安裝
1、張力傳感器安裝
一般來說,張力傳感器有2種安裝方式,一種是受力方向固定的,另一種是受力方向可調的。
A:受力方向固定的安裝方式
如圖2所示,導輥一端用球面軸承安裝在左側板上,另一端安裝在傳感器軸承上,傳感器60%部分嵌入右側板,4個Φ6的孔使用M6螺栓將傳感器壓裝在右側板上,安裝時傳感器紅點應指向受力方向。

圖2 受力點固定的安裝方式
B:受力方向可調的安裝方式
在傳感器與右側板之間增加旋轉盤和夾緊端蓋,如圖3,傳感器安裝在旋轉盤上,再通過夾緊端蓋固定在右側板上,轉動旋轉盤可調整受力點方向。
使用時建議采用該安裝方式。

圖3 受力點可調的安裝方式
安裝完畢后輥筒中心要與兩端軸承中心在同一條線上,運轉應輕松自然,無卡住、無與軸承外壁摩擦等現象;安裝時不得將鐵屑等硬物掉入蓋板與軸承的夾縫中,傳感器軸承加潤滑油時也不能流入這個夾縫,否則會影響性能。
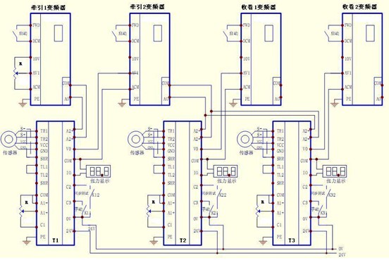
2、張力控制器、變頻器安裝
電氣連接如圖4,變頻器啟動、停止控制端,電位器輸入端,模擬量輸出端根據不同品牌而定。控制器T1的同步線速度信號取之于牽引1變頻器,收卷控制器T2、T3同步線速度信號取之于牽引2變頻器,K12、K22和K32為測試時使用,平時可不外接。
?圖4電氣接線圖
四、調試
1、張力傳感器調校?????
A:張力檢測器零位調整
張力檢測軸不受力(空軸)情況下,調整ZERO電位器,用電壓表檢測輸出電壓(VO、COM),使其輸出為零,順時針方向輸出增大,逆時針方向輸出減小。
調整后轉動輥筒,測量VO、COM兩端電壓,變化應小于0.05V。
B:張力檢測器輸出調整
在張力檢測軸上按材料移動方向掛標準砝碼(5KG),砝碼必須掛在輥軸中間,調整SPAN電位器,用電壓表檢測輸出電壓(VO、COM),使其輸出為相應值。
例:張力檢測器規格為50KG,采用5KG砝碼
輸出電壓U=5*(10/50)=1V
輸出電流I=5*(20/50)=2mA
此時調整SPAN,使V0、COM輸出為 1V或IO、COM輸出為2mA
順時針方向輸出增大,逆時針方向輸出減小。
張力放大器使用過程中,如果傳感器使用不當或長時間受壓超過額定值,機械設備結構改變,都會引起檢測誤差,應重新調校,調校示意圖見圖5:

圖5 張力調校示意圖
2、線速度同步調整
A: 牽引1、2同步調節
將控制器T1的同步控制端C2與OV短接,手動控制端C3、OV斷開,啟動牽引1、牽引2變頻器,牽引1速度調到25HZ,用線速度表測量牽引1輥筒線速度,調整控制器T1的線速度R,使牽引2輥筒線速度與牽引1輥筒線速度保持一致,同時記下此時牽引2速度VT2(張力調整時用)調整完畢后C2、OV斷開,注意牽引1設計最高線速度≤牽引2最高線速度。
B: 牽引2與收卷1同步調節
將控制器T2的同步控制端C2與OV短接,手動控制端C3、OV斷開,啟動牽引2、收卷1變頻器,牽引2速度調到25HZ,用線速度表測量牽引2輥筒線速度,調整控制器T2的線速度R,使收卷1輥筒線速度與牽引2輥筒線速度保持一致,調整完畢后C2、OV斷開。
C:?牽引2與收卷2同步調節
控制器T3調整方法與T2相同。
3、手動調整
分別將控制器T1、T2、T3的C3 與OV短接,C2、OV斷開,調整各自設定電位器線速度從最小到最大,相應變頻器輸出頻率0~50HZ變化。
4、同步控制調節
分別將控制器T1、T2、T3的C2 與OV短接,C3、OV斷開,將各自設定電位器調到最大,啟動4臺變頻器,將牽引1升速,牽引2、收卷1、收卷2變頻相應升速且升速幅值保持一致。
5、張力控制調節
分別將控制器T1、T2、T3的C2 與OV斷開,C3、OV斷開,控制器處于張力控制方式。
A: 牽引1、2張力調節
啟動牽引1、牽引2變頻器,設定牽引1速度為25HZ,牽引2張力設定為5KG,此時實際檢測值為0KG,實際張力小于設定張力,牽引2速度會上升,且高于同步調整時的速度VT2,微調線速度使牽引2速度為同步調整時同步速度VT2+3HZ,再在輥筒上掛10KG重物,此時實際檢測值為10KG,大于設定張力5KG,牽引2速度會慢速下降到VT2-3HZ左右,張力調整正常。
B:?牽引2與收卷1,2同步調節
控制器T2,T3調整方法與上相同。啟動所有變頻器且帶上薄膜運行,運行過程中,先調整張力穩定性,再調整張力偏差。穩定性主要表現在實際顯示的張力波動大小,可以調整各自控制器的線速度,直至張力穩定。
張力偏差主要表現在實際張力與顯示張力值的偏差,如果張力穩定且較長時間跟不上,則應增大線速度(順時針調整)或檢查夾輥式壓輥壓力是否正常,如果張力長時間偏高則須減少線速度(逆時針調整)。
五、操作使用
1、自動/手動切換開關,手動狀態下,用電位器線速度直接調整變頻器轉速。
2、在自動狀態下,根據薄膜要求設定張力(調整電位器),張力顯示表顯示當前薄膜張力值,自動狀態下調整電位器只改變張力大小,穩定后不改變變頻器轉速。
3、操作時可將牽引1、牽引2、收卷1、收卷2同時轉為自動狀態,啟動變頻器,運行過程中當牽引1升速時,牽引2、收卷1、收卷2同時升速且保持張力不變,當牽引2升速時,收卷1、收卷2同時升速且保持張力不變。
六、調整要求
1、牽引1最高線速度應小于或等于牽引2最高線速度,牽引2最高線速度應小于或等于收卷1、收卷2最高線速度,線速度=輥筒轉速(r/min)×輥筒周長(m)。
2、輥筒受力方向重量應小于傳感器測量范圍30%,一般30KG傳感器輥筒重量小于12KG。
3、所有導輥運轉應輕松自然,無卡住現象,動平衡良好,以免運行時影響張力穩定性,降低控制精度。
4、整機設備、變頻器、電機等應良好接地,以免干擾,影響控制精度。
5、傳感器出廠前已進行了嚴格的調整測試,不能隨意拆裝、改變原安裝狀態特別是不能改變受力點位置。